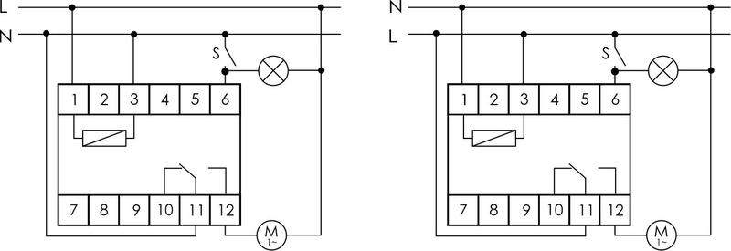
Реле времени серии "PO"
Монтаж на DIN-рейку.
Предназначено для поддержания работы устройства после размыкания управляющего контакта в течение установленного отрезка времени, при условии, что длительность управляющего сигнала больше задержки включения. Например, в вентиляционных системах, санузлах и т.п., выключателем включаем освещение вентилятор включится с задержкой, после выключения освещения вентилятор выключится через установленный отрезок времени.
Принцип работы
В результате замыкания управляющего контакта S, на время, превышающее t , контакты реле 11,12 замыкаются. Размыкание управляющего контакта S вызывает отсчет установленного времени, по истечении которого работа реле прекращается.
Особенности:
вход управления;
напряжение питания 230 В AC;
задержка включения 0/1...5 мин ;
задержка отключения 1...15 мин ;
контакт - 1NO/NC (16 А).
Монтаж на DIN-рейку.
Предназначено для поддержания работы устройства после размыкания управляющего контакта в течение установленного отрезка времени, при условии, что длительность управляющего сигнала больше задержки включения. Например, в вентиляционных системах, санузлах и т.п., выключателем включаем освещение вентилятор включится с задержкой, после выключения освещения вентилятор выключится через установленный отрезок времени.
Принцип работы
В результате замыкания управляющего контакта S, на время, превышающее t , контакты реле 11,12 замыкаются. Размыкание управляющего контакта S вызывает отсчет установленного времени, по истечении которого работа реле прекращается.
Особенности:
вход управления;
напряжение питания 230 В AC;
задержка включения 0/1...5 мин ;
задержка отключения 1...15 мин ;
контакт - 1NO/NC (16 А).
Подробнее
1 775.59 ₽
Много
Нашли дешевле?
-
+
Рассчитать доставку
- Описание
- Характеристики
- Видео
- Отзывы
- Задать вопрос
-
ОписаниеРеле времени серии "PO"
Монтаж на DIN-рейку.
Предназначено для поддержания работы устройства после размыкания управляющего контакта в течение установленного отрезка времени, при условии, что длительность управляющего сигнала больше задержки включения. Например, в вентиляционных системах, санузлах и т.п., выключателем включаем освещение вентилятор включится с задержкой, после выключения освещения вентилятор выключится через установленный отрезок времени.
Принцип работы
В результате замыкания управляющего контакта S, на время, превышающее t , контакты реле 11,12 замыкаются. Размыкание управляющего контакта S вызывает отсчет установленного времени, по истечении которого работа реле прекращается.
Особенности:
вход управления;
напряжение питания 230 В AC;
задержка включения 0/1...5 мин ;
задержка отключения 1...15 мин ;
контакт - 1NO/NC (16 А).
Документы
BY.112.02.01.TR004.013.01.00010 Размер: 1,6 мб -
Характеристики
Страна производитель Беларусь Ширина 18 Высота 90 Глубина 65 Номинальное напряжение питания цепи управления Us перемен. тока АС при 50 Гц с 230 Номинальное напряжение питания цепи управления Us перемен. тока АС при 50 Гц по 250 Род тока включения Переменный ток (AC) Возможно дистанционное управление Нет Функция задержки при включении Нет Функция звезда/треугольник Нет Диапазон времени с 60 Диапазон времени по 900 Функция задержки при отключении Да Количество выходов с задержкой, переключающий контакт 1 -
Видео
- Отзывы
-
Задать вопросВы можете задать любой интересующий вас вопрос по товару или работе магазина.
Наши квалифицированные специалисты обязательно вам помогут.

