Реле контроля фаз серии "CKF"
Монтаж на DIN-рейку.
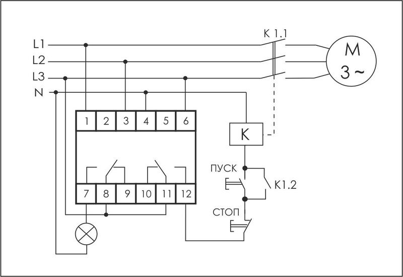
Предназначено для защиты электродвигателей и электроустановок, питаемых от трехфазной сети в случаях: отсутствия хотя бы одной из фаз, асимметрии напряжения, повышения/снижения напряжения, слипания и нарушения чередования фаз, обрыва нулевого провода.
Принцип работы
Если напряжение в пределах нормы, контакты исполнительного реле замкнуты и на контактор управления электродвигателем подается напряжение, управляющее его включением. В случае одной из вышеперечисленных аварийных ситуаций контакты реле размыкаются и контактор отключается. Включение происходит автоматически после восстановления сетевого напряжения питания.
Особенности:
контроль наличия фаз;
контроль асимметрии между фазами;
контроль нижнего значения напряжения;
контроль верхнего значения напряжения;
контроль слипания и чередования фаз;
защита от обрыва нулевого провода;
4 режима работы;
напряжение питания 3x230+N В AC;
контакт - 2NO/NC (8 А).
Монтаж на DIN-рейку.
Предназначено для защиты электродвигателей и электроустановок, питаемых от трехфазной сети в случаях: отсутствия хотя бы одной из фаз, асимметрии напряжения, повышения/снижения напряжения, слипания и нарушения чередования фаз, обрыва нулевого провода.
Принцип работы
Если напряжение в пределах нормы, контакты исполнительного реле замкнуты и на контактор управления электродвигателем подается напряжение, управляющее его включением. В случае одной из вышеперечисленных аварийных ситуаций контакты реле размыкаются и контактор отключается. Включение происходит автоматически после восстановления сетевого напряжения питания.
Особенности:
контроль наличия фаз;
контроль асимметрии между фазами;
контроль нижнего значения напряжения;
контроль верхнего значения напряжения;
контроль слипания и чередования фаз;
защита от обрыва нулевого провода;
4 режима работы;
напряжение питания 3x230+N В AC;
контакт - 2NO/NC (8 А).
Подробнее
2 539.20 ₽
Много
Нашли дешевле?
-
+
Рассчитать доставку
- Описание
- Характеристики
- Видео
- Отзывы
- Задать вопрос
-
ОписаниеРеле контроля фаз серии "CKF"
Монтаж на DIN-рейку.
Предназначено для защиты электродвигателей и электроустановок, питаемых от трехфазной сети в случаях: отсутствия хотя бы одной из фаз, асимметрии напряжения, повышения/снижения напряжения, слипания и нарушения чередования фаз, обрыва нулевого провода.
Принцип работы
Если напряжение в пределах нормы, контакты исполнительного реле замкнуты и на контактор управления электродвигателем подается напряжение, управляющее его включением. В случае одной из вышеперечисленных аварийных ситуаций контакты реле размыкаются и контактор отключается. Включение происходит автоматически после восстановления сетевого напряжения питания.
Особенности:
контроль наличия фаз;
контроль асимметрии между фазами;
контроль нижнего значения напряжения;
контроль верхнего значения напряжения;
контроль слипания и чередования фаз;
защита от обрыва нулевого провода;
4 режима работы;
напряжение питания 3x230+N В AC;
контакт - 2NO/NC (8 А).Документы
112.02.01.TR04.013.01.00016 Размер: 7,6 мб -
Характеристики
Страна производитель Беларусь Ширина 18 Высота 90 Глубина 65 Количество переключающих контактов 2 Диапазон измерения напряжения с 150 Диапазон измерения напряжения по 280 Функция контроля порядка чередования фаз Да Функция обнаружения обрыва фазы Да Функция обнаружения пониженного напряжения Да Функция обнаружения перенапряжения Да Функция обнаружения асимметрии фаз Да -
Видео
- Отзывы
-
Задать вопросВы можете задать любой интересующий вас вопрос по товару или работе магазина.
Наши квалифицированные специалисты обязательно вам помогут.

