Реле контроля фаз серии "CKF"
Монтаж на DIN-рейку.
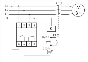
Предназначено для защиты электродвигателей и электроустановок, питаемых от трехфазной сети в случаях: отсутствия хотя бы одной из фаз, асимметрии напряжения, снижения напряжения менее 160 В, повышения напряжения более 260 В, нарушения чередования фаз, обрыва нулевого провода.
Принцип работы
Если напряжение в пределах нормы, контакты исполнительного реле замкнуты и на контактор управления электродвигателем подается напряжение, управляющее его включением. В случае одной из вышеперечисленных аварийных ситуаций контакты реле размыкаются и контактор отключается. Включение происходит автоматически после восстановления сетевого напряжения питания.
Особенности:
контроль наличия фаз;
контроль асимметрии между фазами;
контроль нижнего значения напряжения;
контроль верхнего значения напряжения;
контроль чередования фаз;
защита от обрыва нулевого провода;
напряжение питания 3x230+N В AC;
контакт - 1NO, 1NC (2x8 А).
Монтаж на DIN-рейку.
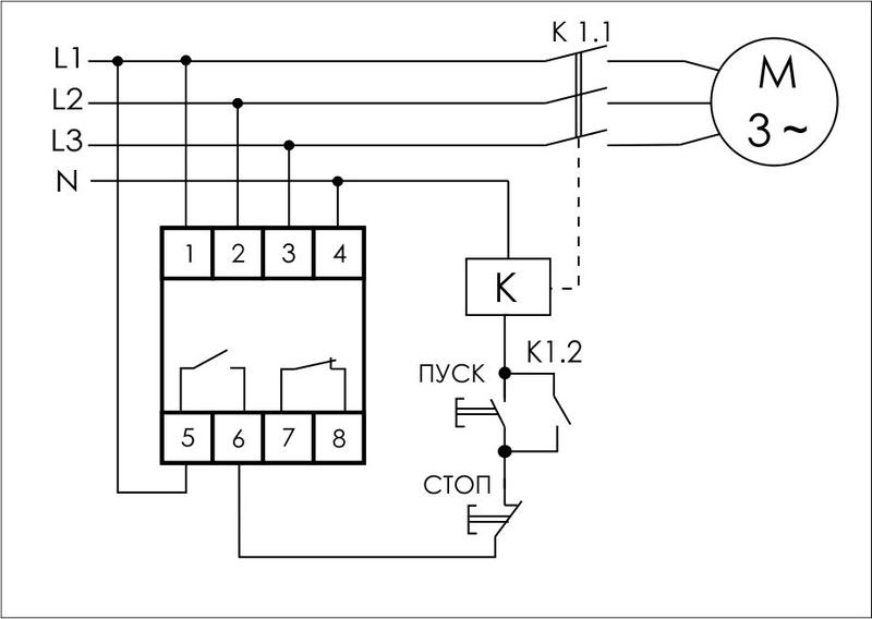
Предназначено для защиты электродвигателей и электроустановок, питаемых от трехфазной сети в случаях: отсутствия хотя бы одной из фаз, асимметрии напряжения, снижения напряжения менее 160 В, повышения напряжения более 260 В, нарушения чередования фаз, обрыва нулевого провода.
Принцип работы
Если напряжение в пределах нормы, контакты исполнительного реле замкнуты и на контактор управления электродвигателем подается напряжение, управляющее его включением. В случае одной из вышеперечисленных аварийных ситуаций контакты реле размыкаются и контактор отключается. Включение происходит автоматически после восстановления сетевого напряжения питания.
Особенности:
контроль наличия фаз;
контроль асимметрии между фазами;
контроль нижнего значения напряжения;
контроль верхнего значения напряжения;
контроль чередования фаз;
защита от обрыва нулевого провода;
напряжение питания 3x230+N В AC;
контакт - 1NO, 1NC (2x8 А).
Подробнее
2 704.80 ₽
Много
Нашли дешевле?
-
+
Рассчитать доставку
- Описание
- Характеристики
- Отзывы
- Задать вопрос
-
ОписаниеРеле контроля фаз серии "CKF"
Монтаж на DIN-рейку.
Предназначено для защиты электродвигателей и электроустановок, питаемых от трехфазной сети в случаях: отсутствия хотя бы одной из фаз, асимметрии напряжения, снижения напряжения менее 160 В, повышения напряжения более 260 В, нарушения чередования фаз, обрыва нулевого провода.
Принцип работы
Если напряжение в пределах нормы, контакты исполнительного реле замкнуты и на контактор управления электродвигателем подается напряжение, управляющее его включением. В случае одной из вышеперечисленных аварийных ситуаций контакты реле размыкаются и контактор отключается. Включение происходит автоматически после восстановления сетевого напряжения питания.
Особенности:
контроль наличия фаз;
контроль асимметрии между фазами;
контроль нижнего значения напряжения;
контроль верхнего значения напряжения;
контроль чередования фаз;
защита от обрыва нулевого провода;
напряжение питания 3x230+N В AC;
контакт - 1NO, 1NC (2x8 А).Документы
112.02.01.TR04.013.01.00016 Размер: 7,6 мб -
Характеристики
Страна производитель Беларусь Количество нормально замкнутых (НЗ) контактов 1 Количество нормально разомкнутых (НО) контактов 1 Ширина 35 Высота 90 Глубина 65 Функция контроля порядка чередования фаз Да Функция обнаружения обрыва фазы Да Функция обнаружения пониженного напряжения Да Функция обнаружения перенапряжения Да Функция обнаружения асимметрии фаз Да Максимально допустимое время задержки 15 Минимальное регулируемое время задержки .5 - Отзывы
-
Задать вопросВы можете задать любой интересующий вас вопрос по товару или работе магазина.
Наши квалифицированные специалисты обязательно вам помогут.

